![]() | 芯片简介: BM64071MUV-Z是用于三相无刷电机驱动器的正弦波驱动的预驱动器IC,支持48V电源控制外部FET构建的电机驱动器。采用无传感器驱动,不需要用于位置感测的霍尔器件。它具有速度反馈控制功能,通过调整输入PWM信号的旋转频率特性和受电机影响的旋转频率来控制输出PWM占空比。 主要规格 1.工作电源电压范围:28V~77V 2.电路电流(ICC):6.9 mA(典型值) 3.工作温度范围:-40°C至+105°C 芯片应用 风扇电机 其他一般消费设备 |
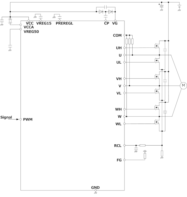
典型应用电路:
| 引脚配置(TOP VIEW)及说明:
|
PWM占空比输入的速度控制
外部输出FET Nch+Nch
内置升压电压电路
无传感器正弦波驱动
自动导程角控制
死区时间设置
电流限制功能
省电功能
旋转方向设置
短制动控制
速度反馈控制
能够设置电机转速表和内置OTP的各种参数
内置多种保护:
电机锁定保护[MLP]
高速旋转保护,过载电压锁定[OVLO]
欠压锁定输出[UVLO]
热关机[TSD]
结束电流保护 [OCP])
