![]() | 芯片描述: P24C02C/P24C04C/P24C08C/P24C16C是2/4/8/16-Kbit I²C兼容串行电可擦除可编程存储器(EEPROM)器件。 该系列包含256/512/1024/2048×8位的存储阵列,每页容量为16字节。 P24C02C/P24C04C/P24C08C/P24C16C为不同应用场景提供以下器件选择。
| |
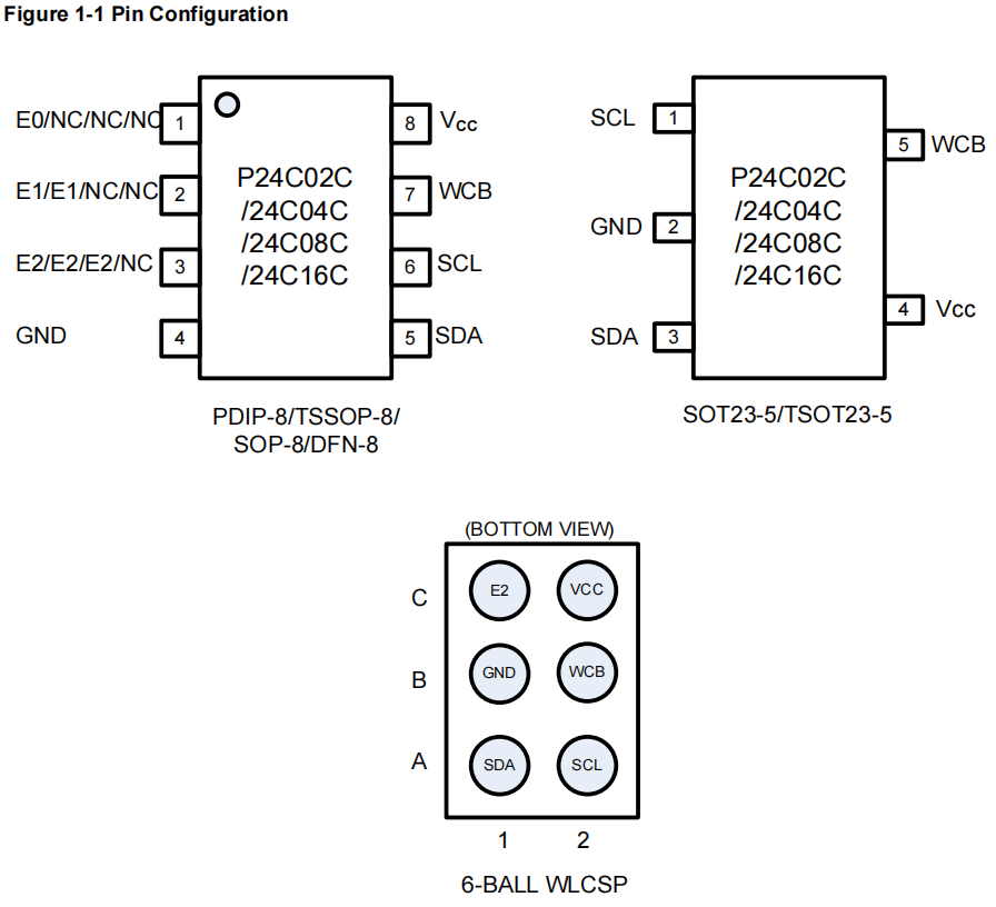
引脚配置:
引脚说明:
| 框图:
芯片应用: 数字万用表 TV板块 摄像头模组 水表 燃气表 遥控器 血压计 |
■ 单电源电压与高速性能
‣ 最低工作电压可低至1.7V
‣ 2.5V至5.5V供电时支持1MHz时钟频率
‣ 1.7V至2.5V供电时支持400kHz时钟频率
■ 低功耗CMOS技术
‣ 读取电流最大400μA
‣ 写入电流最大1.6mA
■ 施密特触发器与滤波输入设计(抗噪声干扰)
■ 支持顺序读取与随机读取功能
■ 页写入模式(允许部分页写入)
■ 全存储阵列写保护功能
■ 附加可写锁定页及128位序列号
■ 自定时写入周期(最长5ms)
■ 高可靠性
‣ 耐久性:>100万次写入周期
‣ 数据保存:>100年
‣ 人体模型静电防护:6KV
‣ 抗闩锁能力:±200mA(25°C及125°C环境下)
■ 封装形式:PDIP-8、SOP-8、TSSOP-8、DFN-8/UDFN-8、SOT23-5、TSOT23-5及6球WLCSP
