![]() | 芯片概述: LD63006是一款直流无刷电机驱动芯片。通过霍尔信号和输入的 PWM 波进行驱动控制。支持单、双或三霍尔传感器驱动。8到20V 的工作电压,1.5A 的工作电流支持。 LD63006内部包含多种保护电路,可以用于多种用途。 采用小型封装,可用于小型电机驱动。 封装: VQFN-24 (4mmx4mm) 芯片应用: 通用 BLDC 电机 扫地机行走轮电机 扫地机器人边刷 吸尘器行走轮电机 卷发器 水泵 小风扇等 |
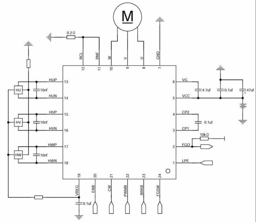
应用电路:
| 引脚描述及说明:
|
芯片特点:
霍尔容错功能,任一霍尔信号正常即可驱电机运行
OWI 通讯接口,配置电机控制参数,读取 电机状态。
软启动功能(SS)
8V 至 20V 工作电压
1.5A 的工作电流,支持 3A 的峰值电流
低导通电阻半桥驱动
PWM 输入频率 1K 至 100kHz
方向/刹车控制
堵转保护功能 (MLP)
支持霍尔差分输入
多种保护电路:过流(CL)、短路(OCP)、 过温(TSD)、过压(UVLO)、欠压(OVLO)
指标:
额定电压: 20V
额定电流: 1.5A
工作温度: -40 to +85°C
电流极限检测电压: 0.3V±10%
导通电阻: 0.6Ω (典型值)
欠压保护电压: 6.0V (典型值)
